- TKC
-
PARKER
- Tổng hợp
- Thuỷ Lực
- Bộ tạo chân không Vaccum
- Đầu nối
- Bộ cảm biến
- Bộ đếm
- Bộ lọc khí
- Giảm thanh
-
Van
- SPORLAN
- P2E Series
- PS1 Series
- KFS22/KFS22 Series
- PL Series
- PVL Series
- 221G Series
- 321 Series
- ORIGA
- 7321B/7322B Series
- 322 Series
- 421/481 series
- P4Q Series
- ASV
- 221G series
- DX3 Series
- VSONC Series
- 34*Y series
- E131 series
- E133 series
- PXB Series
- PWA Series
- 321R Series
- VB Series
- VQB Series
- 7221GBN Series
- PLL/PLK series
- 221S
- 712 Series
- SC Series
- PXP Series
- 708N Series
- 321K Series
- IR4000 Series
- PA Series (Van xiên Y)
- 713 Series
- 121K Series
- 122K Series
- KURODA
- 321G Series
- 321H Series
- 7321B Series
- HV Series
- NKV Series
- PXC Series
- PHS Series
- WV121 Series
- Phụ kiện van
- Xi lanh
- SKP
- AIRTAC
- CKD
- ISTC
- SMC
- Mindman
- STNC
- CDC
- SANG-A
- TPC
- YPC
- UNI-D
- NIIKA
- SAGOMIYA
- ODE
- FESTO
- MAC
- TỔNG HỢP
Thống kê
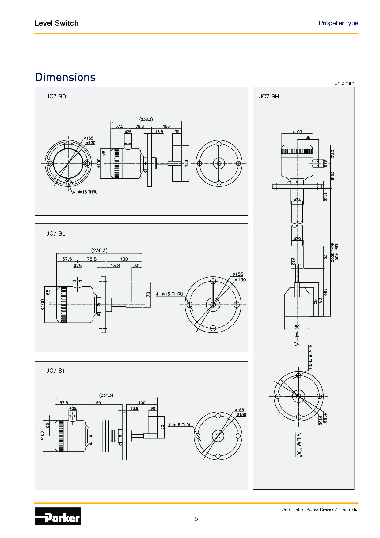
Model: JC7 Series
Xuất xứ: Parker Korea
Xuất xứ: Parker Korea
Hàng có sẵn tại kho. Vui lòng ấn liên hệ để biết thêm thông tin của sản phẩm.
HOTLINE: 0934.530.448
HOTLINE: 0934.530.448
- Bình luận bằng tài khoản facebook
- Bình luận bằng tài khoản Google